Note:
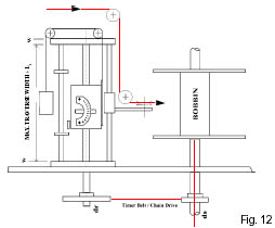
While using traverse unit for vertical applications attention should be given to the position of the applied load and position of the pressure setting screw so as to increase thrust efficiency. In the arrangement shown, there is an increase in thrust while unit is moving up the shaft.
In application using traverse unit with a free movement
lever, care must be taken before its operation to ensure that the load do not drop in an uncontrolled way causing damage / injury. |
 |
|