Abba Enterprises Abba Enterprises Abba Enterprises cable wires
wire lab equipments cable wires
company profile product & services site photographs contact us home
 
  Traverse Systems Principle Of Operation Traverse Assembly  
  Application Areas Operational Guide Techical Specification & Dimension  
  Vertical Application Optional Features Ordering Information  
 
 

Traverse unit for a particular application is selected considering the following details.  

1) The Force required to traverse the material,
2) Linear speed required,
3) Total mass to be traversed ( Including weight of RollringTraverse Unit and Associated Assemblies),
4) Shaft speed,
5) Moment of inertia at reversal points and frictional force of load carriers/ separately mounted guide assemblies if any.  
Separate load carrier for mounting the guide assembly is recommended for applications having any of the following requirements.

a) Heavy guide assembly
b) Large overhang required for the guide assembly
c) Strong twisting forces / large tension is present in the
material to be traversed.

By using the load carrier forces acting on the traverse unit will be considerably reduced and smaller model of traverse unit can be used to traverse heavy loads.

Pre Selection: A unit needs to be pre selected by estimating approximately the total force required and / or considering the maximum shaft sag. The suitability of the unit so preselected needs to be verified as described below

Calculation of Side Thrust F Required For an Application:

F = 0.25 (m x v/t) + Fr + Fz + 0.12 m×g +Fw

The value of side thrust F so calculated should be less than rated side thrust of the Rollring traverse unit selected.
F < F RR
F RR
: Rated Side Thrust Of The Rollring Traverse Unit Selected.
If the required side thrust F calculated is higher than that of the traverse unit pre selected F RR, higher size unit needs to be selected. Select a higher size traverse unit and verify the suitability as above .

 

Related Units  
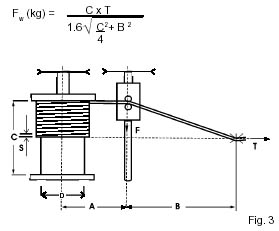
1) Fw : Force Acting on the Traverse Related to Tension in the Material to Be Wound.
(Applicable only for winding applications)  


C mm – Traverse width
T (kg) – Tension in the material to be wound
B mm – Distance from previous payoff support position.

2) m (Kg): Total Mass to Be Traversed (Includes the weight of the traverse unit, guide assembly and associated parts mounted on to the unit)

3) V (mtrs/sec): Max Traverse Speed Required.

4) t sec: Reversal Time Refer fig (4)
 

5) Fr kg: Frictional Force (Relevant only when the associated
parts are mounted on separate independent carriage and coupled to the traverse unit)

Fr = Fn x µ
Fn
= Normal Force of Total Weight of Associated Parts and Carriage.
µ = Coefficient Of Friction

6) g ( m/sec2): Acceleration due to gravity (9.81 m/sec2)

7) Fz: Additional Forces if Any



 
We can suggest suitable model for any application on receipt of the details of requirements.  

1) Traverse length ‘C'
2) Dia or width the material to be traversed
3) Material
4) Winding speed / linear speed .
5) Approx Winding tension T or Tensile Strength of the material
6) Application details.
7) Pitch range required
8) Distance from previous payoff support position. ‘B'
9) Details of Guide assemblies required to be traversed
 
All Right Reserved @ abbaindia.com. Site designed by Dotcom Services India Pvt Ltd.